| Availability: | |
|---|---|
1.Introduction
With rich experience in FRP pultrusion industry since 2002, Jiangsu Jiuding offers a complete range of pultruded profiles. Jiuding FRP Pultruded rectangular tube is available in a variety of resin types, colors, thicknesses and length.
Our FRP angle is consist of a combination of fiberglass reinforcements and thermosetting polyester or vinyl ester resin systems. We have more than 100 standard fiberglass structural shapes. Pultrusion profile is a type of heat-insulation materials, its thermal-expansion rate is much lower than that of common plastic, which with excellent mechanical property under the low temperature and no melting under the high temperature. But the strength and modulus will be reduced in a certain degree under the high temperature, its suitable temperature range is from -50 degree to 100 degree. So it is the idea material in cooling tower industry or other chemical industry.
we can design all fiberglass products with different fire-retardant request according to ASTM E84, EN BS476 part7, UL94 and EN13501 and so on. And all of our fiberglass products can meet the mechanical standard of CTI and EN13706.
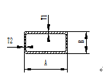
2.Specification of FRP rectangular tube
No. | A (mm) | B (mm) | T1 (mm) | T2 (mm) | Weight (kg/m) | Sectional drawing |
1 | 42 | 20 | 2 | 2 | 0.44 |
|
2 | 50 | 25 | 4 | 4 | 1.02 | |
3 | 70 | 26 | 3 | 3 | 1.03 | |
4 | 80 | 50 | 5 | 5 | 2.28 | |
5 | 85 | 25 | 4 | 4 | 1.55 | |
6 | 117.5 | 92.1 | 4.8 | 4.8 | 3.65 | |
7 | 117.5 | 92.1 | 9.5 | 9.5 | 6.88 | |
8 | 120 | 170 | 5 | 5 | 5.32 | |
9 | 150 | 100 | 6 | 6 | 5.43 | |
10 | 190.5 | 101.6 | 9.5 | 9.5 | 9.86 | |
11 | 228 | 152 | 6 | 6 | 8.39 |
3.Advantages
®High strength
® Anti-corrosion and Anti-ageing
® Non-conductive
® Easy of cutting and installation
® Low maintenance
4.Application
Structure support in chemical factory Structure frame in cooling tower
Handrail in garden Handrail in bridge
5.production process
Drilling holes
Cutting process
1.Introduction
With rich experience in FRP pultrusion industry since 2002, Jiangsu Jiuding offers a complete range of pultruded profiles. Jiuding FRP Pultruded rectangular tube is available in a variety of resin types, colors, thicknesses and length.
Our FRP angle is consist of a combination of fiberglass reinforcements and thermosetting polyester or vinyl ester resin systems. We have more than 100 standard fiberglass structural shapes. Pultrusion profile is a type of heat-insulation materials, its thermal-expansion rate is much lower than that of common plastic, which with excellent mechanical property under the low temperature and no melting under the high temperature. But the strength and modulus will be reduced in a certain degree under the high temperature, its suitable temperature range is from -50 degree to 100 degree. So it is the idea material in cooling tower industry or other chemical industry.
we can design all fiberglass products with different fire-retardant request according to ASTM E84, EN BS476 part7, UL94 and EN13501 and so on. And all of our fiberglass products can meet the mechanical standard of CTI and EN13706.
2.Specification of FRP rectangular tube
No. | A (mm) | B (mm) | T1 (mm) | T2 (mm) | Weight (kg/m) | Sectional drawing |
1 | 42 | 20 | 2 | 2 | 0.44 |
|
2 | 50 | 25 | 4 | 4 | 1.02 | |
3 | 70 | 26 | 3 | 3 | 1.03 | |
4 | 80 | 50 | 5 | 5 | 2.28 | |
5 | 85 | 25 | 4 | 4 | 1.55 | |
6 | 117.5 | 92.1 | 4.8 | 4.8 | 3.65 | |
7 | 117.5 | 92.1 | 9.5 | 9.5 | 6.88 | |
8 | 120 | 170 | 5 | 5 | 5.32 | |
9 | 150 | 100 | 6 | 6 | 5.43 | |
10 | 190.5 | 101.6 | 9.5 | 9.5 | 9.86 | |
11 | 228 | 152 | 6 | 6 | 8.39 |
3.Advantages
®High strength
® Anti-corrosion and Anti-ageing
® Non-conductive
® Easy of cutting and installation
® Low maintenance
4.Application
Structure support in chemical factory Structure frame in cooling tower
Handrail in garden Handrail in bridge
5.production process
Drilling holes
Cutting process